- 雷達液位計料位計系列產品
- 壓力/液位/差壓/密度變送器
- 液位儀表系列
- 流量儀表系列
- 物位儀表系列
- 液位/溫度/壓力/流量-報警儀
- PLC/DCS自動化控制監控系統
- GPRS無線遠傳裝置
- 有紙/無紙記錄儀系列
- 溫度儀表系列
- 分析儀|檢測儀|校驗儀系列
全國銷售熱線:400-9280-163
電話:86 0517-86917118
傳真:86 0517-86899586
銷售經理:1560-1403-222 (丁經理)
??? ? ? ? 139-1518-1149 (袁經理)
業務QQ:2942808253 / 762657048
網址:http://m.hnbz8.com
電話:86 0517-86917118
傳真:86 0517-86899586
銷售經理:1560-1403-222 (丁經理)
??? ? ? ? 139-1518-1149 (袁經理)
業務QQ:2942808253 / 762657048
網址:http://m.hnbz8.com
靜壓式液位變送器等四類液位計在常壓容器液位測量中的設計與選型
發表時間:2019-05-15 ??點擊次數:926? 技術支持:1560-1403-222
1、概述
目前平臺上常壓儲罐設計常用的液位測量方式非常單一,基本都是采用磁致伸縮液位計/液位變送器來實現。但是常壓儲罐工況簡單,造價較低。相比而言,儀表的采辦成本所占比重很高。因此,我們嘗試在滿足儲罐工藝要求的前提下,改進其工藝儀表的設計及選型,盡量降低常壓容器的材料成本,提高儀表監測的性價比。本文在介紹了幾種常用的液位儀表并分析闡述其檢測原理,在此基礎之上以BZ26-3撬塊開排罐為例,在相同工況下進行設計,提出四種新的設計方案,并分別對四種方案的采辦成本、安裝成本、適應工況等方面進行對比,尋求一種在滿足儲罐工藝要求的前提下,降低常壓容器成本,提高儀表監測的性價比的設計方案。
1.1常壓容器儀表設計的基本流程
常壓儲罐應設置液位計、溫度計和高液位報警器;大于或等于10000mm的儲罐應設高高液位報警器并與進料管道控制閥連鎖,在儲罐內液位達到設定值時應能自動關閉進料管道控制閥;根據生產操作還需要確定是否設置低液位報警器。
在采油平臺上的開排罐設計中,我們一般需要設計高低液位報警,在DCS系統中實現液位的在線測量,同時實現液位的現場顯示。還要向ESD系統提供液位的低低報警,以便實現緊急關斷。
高液位報警的設定高度,應為儲罐的設計儲存液位。高高液位的設定高度,宜按以下公式計算:
——高液位報警的設定高度,m;
——儲罐的設計儲存液位,m;
——10min~15min儲罐大進液量的折算高度,m;
低液位報警的設定高度,應滿足從報警開始10min~15min內泵不會抽空的要求,或者設定為容器高度的10%。
1.2常壓容器液位儀表介紹
磁致伸縮液位計/液位變送器結構簡單,安裝方便,積木化設計、無需維護或僅少量維護,測量連續無盲區。可安全應用于易燃、強腐蝕性和有毒的液體介質測量,測量范圍寬,布局靈活。
靜壓式液位變送器
靜壓式液位變送器的傳感器部分可直接投入到液體中,變送器部分可用法蘭或支架固定,安裝使用非常方便,該變送器對水、油以及粘度較大的糊狀都可以進行高精度測量,不受被測介質起泡、沉積、電氣特性的影響寬范圍的溫度補償。
超聲波液位變送器
該類液位儀表主要適用于液體、漿料、污水和固體塊料的連續的、非接觸式的測量。
雷達式液位變送器
該液位計大的特點是受環境影響小,精度高,在一些高溫、高壓、負壓(真空)、蒸汽、霧狀空間、粉塵環境等,較適合雷達液位計。
電容液位開關
該開關具有很高的穩定性,靈敏度可調,而且安裝容易,不易磨損,利于維護,適用于高粘度以及易于形成粘附的液體介質以及腐蝕性較強的介質的檢測。
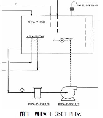
2.BZ26-3橇塊開排罐液位儀表設計分析以BZ26-3撬塊WHPA-T-3501為例,圖1為撬體部分的工藝流程圖,按照圖上的要求以及儲罐的設計規范可知,液位儀表在開排罐上所起到的作用為以下三點:
實時直觀的從撬體上監測液位情況。高低液位報警,觸發相應兩臺泵的動作。低低液位報警,觸發關斷系統。

由此可見,我們可以用兩臺液位儀表的組合來實現對開排罐液位的控制,針對設計要求,可以提出以下幾種方案。
3.設計方案
3.1方案一:磁致伸縮液位計/液位變送器+磁致伸縮液位變送器
如圖2所示,此臺撬上選用的液位儀表為磁致伸縮液位計/液位變送器LG/LT-3541以及磁致伸縮液位變送器LT-3542。LG/LT-3541輸出的為模擬信號,與DCS系統相連接,反應撬內液位的變化情況,當撬內液位到達1500mm時,此信息通過模擬信號傳輸到DCS系統后,會觸發WHPA-P-3501A和WHPA-P-3501B兩臺泵工作,開始往外排水,當液面到達500mm時,信號再次傳輸到DCS系統,觸發兩臺泵停止工作,從而使撬內液面維持在一定高度。當撬內液位到達2400mm或到達400mm時,DCS系統會顯示報警,以便工作人員根據相應情況采取措施。與LG/LT-3541相同,LT-3542輸出的也為模擬信號,但與之相連接的是ESD系統,主要起到的是低低液位報警的作用,當液位到達300mm的時候,LT-3542顯示報警,并觸發相應關斷動作。

圖2方案一P&ID

3.2方案二:磁致伸縮液位計/液位變送器+靜壓式液位變送器
此方案是用磁致伸縮液位計/液位變送器和靜壓式液位變送器來實現設計要求,如圖3所示,靜壓式液位變送器穩定性好,精度高,直接投入到被測介質中,安裝使用相當方便。而且為固態結構,無可動部件,高可靠性,使用壽命長從水、油到粘度較大的糊狀都可以進行高精度測量,不受被測介質氣泡、沉積、電氣特性的影響。用靜壓式液位變送器來實現低低報警的設計要求,降低了安裝成本,而且容易操作。此方案需注意的是,在選擇靜壓式液位變送器的同時,要選用3"的法蘭和3"的球閥與之相匹配,方案所需管件如表2所示。

3.3方案三:磁致伸縮液位計/液位變送器+液位開關
此方案是用磁致伸縮液位計/液位變送器和電容式液位開關來實現設計要求,如圖4所示,由于設計要求液位到達300mm時實現報警功能,并且采取相應的關斷措施。針對此項設計要求,液位開關比液位變送器從安裝成本以及費用上都更為合適,電容式液位開關僅采用一個過程連接即可進行兩點控制(泵控制),操作方便。液位開關屬于單法蘭連接,無需配備球閥,具體安裝管件如表3所示。


圖4方案三P&ID
3.4方案四:超聲波液位變送器+磁翻板液位計+液位開關
此方案采用了一種不常用的超聲波液位變送器,如圖5所示,超聲液位計因使用方便,價格低廉,所以深受用戶歡迎,超聲波液位計為單法蘭連接方式,需安裝在罐體的頂部,這樣就給在現場實時監測罐體液位帶來不便,所以不得不另外采用磁翻板液位計來達到現場監測液位的目的。方案所需管件如表4所示。

圖5方案四P&ID
4.BZ26-3撬塊開排罐的液位儀表設計方案比較

5、結論
通過對比可知,從性價比的角度考慮,方案三與方案四的性價比相對較高,方案四需開孔較多,對容器本體制作的要求較高,方案三在滿足初設計要求的前提下,不僅大大降低了成本,而且在安裝方式上為現場施工帶來方便,增加了場地工作人員的施工效率。而且利于后期維護,既能滿足液位現場指示和遠傳的工藝要求,也能完成應急報警。綜上所述,方案三比較適合此次常壓容器的設計要求。
上一條:電磁流量計對介質電導率的要求及常見精度和功能說明
下一條:對于擴散硅投入式液位變送器測量系統測量精度和可靠性設計的討論
目前平臺上常壓儲罐設計常用的液位測量方式非常單一,基本都是采用磁致伸縮液位計/液位變送器來實現。但是常壓儲罐工況簡單,造價較低。相比而言,儀表的采辦成本所占比重很高。因此,我們嘗試在滿足儲罐工藝要求的前提下,改進其工藝儀表的設計及選型,盡量降低常壓容器的材料成本,提高儀表監測的性價比。本文在介紹了幾種常用的液位儀表并分析闡述其檢測原理,在此基礎之上以BZ26-3撬塊開排罐為例,在相同工況下進行設計,提出四種新的設計方案,并分別對四種方案的采辦成本、安裝成本、適應工況等方面進行對比,尋求一種在滿足儲罐工藝要求的前提下,降低常壓容器成本,提高儀表監測的性價比的設計方案。
1.1常壓容器儀表設計的基本流程
常壓儲罐應設置液位計、溫度計和高液位報警器;大于或等于10000mm的儲罐應設高高液位報警器并與進料管道控制閥連鎖,在儲罐內液位達到設定值時應能自動關閉進料管道控制閥;根據生產操作還需要確定是否設置低液位報警器。
在采油平臺上的開排罐設計中,我們一般需要設計高低液位報警,在DCS系統中實現液位的在線測量,同時實現液位的現場顯示。還要向ESD系統提供液位的低低報警,以便實現緊急關斷。
高液位報警的設定高度,應為儲罐的設計儲存液位。高高液位的設定高度,宜按以下公式計算:
——高液位報警的設定高度,m;
——儲罐的設計儲存液位,m;
——10min~15min儲罐大進液量的折算高度,m;
低液位報警的設定高度,應滿足從報警開始10min~15min內泵不會抽空的要求,或者設定為容器高度的10%。
1.2常壓容器液位儀表介紹
磁致伸縮液位計/液位變送器結構簡單,安裝方便,積木化設計、無需維護或僅少量維護,測量連續無盲區。可安全應用于易燃、強腐蝕性和有毒的液體介質測量,測量范圍寬,布局靈活。
靜壓式液位變送器
靜壓式液位變送器的傳感器部分可直接投入到液體中,變送器部分可用法蘭或支架固定,安裝使用非常方便,該變送器對水、油以及粘度較大的糊狀都可以進行高精度測量,不受被測介質起泡、沉積、電氣特性的影響寬范圍的溫度補償。
超聲波液位變送器
該類液位儀表主要適用于液體、漿料、污水和固體塊料的連續的、非接觸式的測量。
雷達式液位變送器
該液位計大的特點是受環境影響小,精度高,在一些高溫、高壓、負壓(真空)、蒸汽、霧狀空間、粉塵環境等,較適合雷達液位計。
電容液位開關
該開關具有很高的穩定性,靈敏度可調,而且安裝容易,不易磨損,利于維護,適用于高粘度以及易于形成粘附的液體介質以及腐蝕性較強的介質的檢測。
2.BZ26-3橇塊開排罐液位儀表設計分析以BZ26-3撬塊WHPA-T-3501為例,圖1為撬體部分的工藝流程圖,按照圖上的要求以及儲罐的設計規范可知,液位儀表在開排罐上所起到的作用為以下三點:
實時直觀的從撬體上監測液位情況。高低液位報警,觸發相應兩臺泵的動作。低低液位報警,觸發關斷系統。

由此可見,我們可以用兩臺液位儀表的組合來實現對開排罐液位的控制,針對設計要求,可以提出以下幾種方案。
3.設計方案
3.1方案一:磁致伸縮液位計/液位變送器+磁致伸縮液位變送器
如圖2所示,此臺撬上選用的液位儀表為磁致伸縮液位計/液位變送器LG/LT-3541以及磁致伸縮液位變送器LT-3542。LG/LT-3541輸出的為模擬信號,與DCS系統相連接,反應撬內液位的變化情況,當撬內液位到達1500mm時,此信息通過模擬信號傳輸到DCS系統后,會觸發WHPA-P-3501A和WHPA-P-3501B兩臺泵工作,開始往外排水,當液面到達500mm時,信號再次傳輸到DCS系統,觸發兩臺泵停止工作,從而使撬內液面維持在一定高度。當撬內液位到達2400mm或到達400mm時,DCS系統會顯示報警,以便工作人員根據相應情況采取措施。與LG/LT-3541相同,LT-3542輸出的也為模擬信號,但與之相連接的是ESD系統,主要起到的是低低液位報警的作用,當液位到達300mm的時候,LT-3542顯示報警,并觸發相應關斷動作。

圖2方案一P&ID

3.2方案二:磁致伸縮液位計/液位變送器+靜壓式液位變送器
此方案是用磁致伸縮液位計/液位變送器和靜壓式液位變送器來實現設計要求,如圖3所示,靜壓式液位變送器穩定性好,精度高,直接投入到被測介質中,安裝使用相當方便。而且為固態結構,無可動部件,高可靠性,使用壽命長從水、油到粘度較大的糊狀都可以進行高精度測量,不受被測介質氣泡、沉積、電氣特性的影響。用靜壓式液位變送器來實現低低報警的設計要求,降低了安裝成本,而且容易操作。此方案需注意的是,在選擇靜壓式液位變送器的同時,要選用3"的法蘭和3"的球閥與之相匹配,方案所需管件如表2所示。

3.3方案三:磁致伸縮液位計/液位變送器+液位開關
此方案是用磁致伸縮液位計/液位變送器和電容式液位開關來實現設計要求,如圖4所示,由于設計要求液位到達300mm時實現報警功能,并且采取相應的關斷措施。針對此項設計要求,液位開關比液位變送器從安裝成本以及費用上都更為合適,電容式液位開關僅采用一個過程連接即可進行兩點控制(泵控制),操作方便。液位開關屬于單法蘭連接,無需配備球閥,具體安裝管件如表3所示。


圖4方案三P&ID
3.4方案四:超聲波液位變送器+磁翻板液位計+液位開關
此方案采用了一種不常用的超聲波液位變送器,如圖5所示,超聲液位計因使用方便,價格低廉,所以深受用戶歡迎,超聲波液位計為單法蘭連接方式,需安裝在罐體的頂部,這樣就給在現場實時監測罐體液位帶來不便,所以不得不另外采用磁翻板液位計來達到現場監測液位的目的。方案所需管件如表4所示。

圖5方案四P&ID
4.BZ26-3撬塊開排罐的液位儀表設計方案比較

5、結論
通過對比可知,從性價比的角度考慮,方案三與方案四的性價比相對較高,方案四需開孔較多,對容器本體制作的要求較高,方案三在滿足初設計要求的前提下,不僅大大降低了成本,而且在安裝方式上為現場施工帶來方便,增加了場地工作人員的施工效率。而且利于后期維護,既能滿足液位現場指示和遠傳的工藝要求,也能完成應急報警。綜上所述,方案三比較適合此次常壓容器的設計要求。
上一條:電磁流量計對介質電導率的要求及常見精度和功能說明
下一條:對于擴散硅投入式液位變送器測量系統測量精度和可靠性設計的討論
相關產品
- 相關文章
-
- 雷達液位計的作用 【2025-11-18】
- 雷達液位計使用注意事項 【2025-11-18】
- 雷達液位計安裝注意事項全解析 【2025-11-14】
- 雷達液位計工作原理及相關說明 【2025-11-14】
- 雙法蘭液位變送器安裝規范 【2024-01-07】
- 溫度變送器廠家電話多少號 【2024-01-02】
- 氣體蒸汽渦街流量計為什么要帶溫壓補償 【2017-11-06】
- 壓力變送器十大品牌 【2024-01-02】
- 雙法蘭差壓變送器液位測量校驗全面解析 【2016-05-06】
- 雙法蘭式液位變送器 【2024-01-06】








