- 雷達液位計料位計系列產品
- 壓力/液位/差壓/密度變送器
- 液位儀表系列
- 流量儀表系列
- 物位儀表系列
- 液位/溫度/壓力/流量-報警儀
- PLC/DCS自動化控制監控系統
- GPRS無線遠傳裝置
- 有紙/無紙記錄儀系列
- 溫度儀表系列
- 分析儀|檢測儀|校驗儀系列
全國銷售熱線:400-9280-163
電話:86 0517-86917118
傳真:86 0517-86899586
銷售經理:1560-1403-222 (丁經理)
??? ? ? ? 139-1518-1149 (袁經理)
業務QQ:2942808253 / 762657048
網址:http://m.hnbz8.com
電話:86 0517-86917118
傳真:86 0517-86899586
銷售經理:1560-1403-222 (丁經理)
??? ? ? ? 139-1518-1149 (袁經理)
業務QQ:2942808253 / 762657048
網址:http://m.hnbz8.com
電磁流量計的空管檢測電路是基于怎樣的原理及其產生的作用
發表時間:2019-10-04 ??點擊次數:965? 技術支持:1560-1403-222
當電磁流量計的測量管中的電極暴露在空氣中時,傳感器會產生很大的干擾信號,致使流量計檢測的數據不能真實的反映液體的流量。為此,在電磁流量計安裝、使用過程中通常要求電磁流量計的管道必須充滿被測液體。但在實際應用中,很難保證管道始終充滿液體。在分析空管干擾機理的基礎上,設計了一個檢測空管的電路,以供參考。
一、空管干擾的機理
當電磁流量計傳感器有流體流過時,傳感器中的流體、電極a、b與轉換器的輸入回路構成一個閉合回路(見圖1),其等效電路見圖2:液體等效電阻R、轉換器輸入阻抗Z1,流缽產生的感應電勢e1、e2。設B是傳感器勵磁的磁場強度,U是管道內流速分布場,則傳感器輸出的流量信號可用下式表示。

式中l是電極中的距離
空管時Re→∞,輸入回路開路。由于轉換器的輸入阻抗Zi極高,懸空的電極a、b兩端可感應出很強的干擾電壓。經分析干擾信號主要來自工頻電網(分析過程這里不作詳述)。傳感器有流體流過時,其輸出的流量信號e的ZUI大峰值只有5mV左右,經過轉換器第 一級儀表放大器后的輸出電壓u的ZUI大峰值大概為0.5V(放大100 倍)。空管時,干擾信號的峰值可高出正常峰值的幾十倍,轉換器的儀表放大器間歇產生飽和輸出(見圖3),致使流量計量無法正常運行。


二、空管干擾的檢測
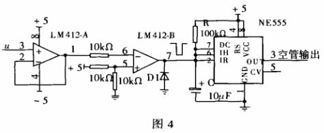
為了排除以上干擾,設計了一個檢測電路(見圖4)。整個檢測電路由跟隨器、比較器、定時器組成。跟隨器的作用是將檢測電路與儀表的其他電路隔離,防止檢測電路對信號u產生影響。比較器電路的正向輸入端接2.5V的電壓,當傳感器管路不是空管時,由于信號u,ZUI大值不超過0.5V,所以比較器的輸出始終為高電平;當傳感器管路為空管時,比較器輸出一序列的方波信號。二極管D1為方波信號的負電壓提供回路。由NE555構成的通用定時器電路的工作原理是:當輸入觸發信號電平低于電源電壓的1/3時,內部比較器開始工作,觸發電路觸發,內部的放電晶體管斷開,電容C被充電。充電電壓超過電源電壓的2/3時,內部比較器再次工作,放電晶體管把電容C中積蓄的電荷放掉,然后等待下次觸發,輸出脈沖寬度由T=1.1×C×R確定,脈沖寬度ZUI長可達數十秒。

當傳感器不是空管時,由于比較器電路始終輸出高電平,不能觸發定時器工作,定時器輸出為低電平。而傳感器為空管時,比較器的輸出脈沖不斷地觸發定時器,若T大于20ms時,定時器的輸出信號始終為高電平。因此,單片機只要通過檢測定時器的輸出信號,便可知道是否為空管。
三、結語
以上所述的電磁流量計空管檢測電路不但可以檢測空管信號,同時也可檢測其他的干擾信號,一旦單片機檢測到干擾信號后,就將此刻的流量信號濾除。實踐證明,本文介紹的檢測電路運行簡單、可靠。
上一條:一種防氣化抽真空磁翻板液位計的發明思路及具體實施方案
下一條:智能電磁流量計實現對超低速流量測量的手段與方法
- 相關文章
-
- 雷達液位計的作用 【2025-11-18】
- 雷達液位計使用注意事項 【2025-11-18】
- 雷達液位計安裝注意事項全解析 【2025-11-14】
- 雷達液位計工作原理及相關說明 【2025-11-14】
- 電磁流量計的漂移產生的原因及有效去除的三個方法 【2019-02-03】
- 水冷塔液位變送器零點遷移 【2023-12-23】
- 差壓式液位變送器哪家** 【2023-12-20】
- 論石化儀表系統的防雷體系之一——雷電的種類及對儀表影響特別大的雷電種類 【2015-12-07】
- 用戶在進行導波雷達液位變送器的設計選型時須關注的事項 【2019-05-13】
- 壓力變送器允許誤差 【2023-12-18】








